AL 38 BRIDGE
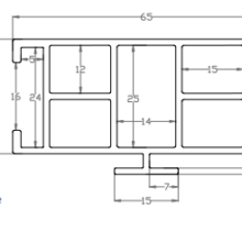
AL 38 Bridge has a specially designed structure that enhances its strength. It is used to protect the structure from deflection in future. A special groove on top with a height of 3,5 mm is designed for inserting 3 mm sheet material on the top of the structure (for example – alubond). The profile is strongly fixed with the corner connection detail LC 10 and LC 08 for length connection.
Dimensions –33×65 mm, Length in stock 2.5-5 m, aluminum, Price in Euro | per 1 rm.
NB! Used with: profile AL 16, AL 22 Expo, AL 27, profile connectors LC 08, corner connectors LC 10.
If you need additional information of all components of profile please contact our regional manager for our price list.











